產品描述:
450型過濾篩,是一種便于移動、效率高、低噪音、小體積的小型振動篩分過濾機。尤其適用于雜質含量較少的粉末篩分與漿液過濾。產品特點 1.上部篩框可以輕松拿下來,倒除不過篩網的雜質非常方便。 2....
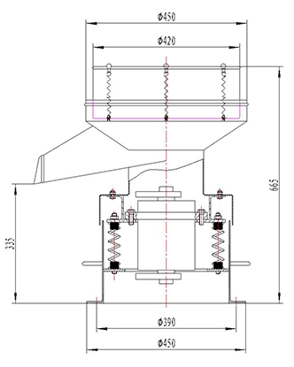
產品詳情450型過濾篩,是一種便于移動、效率高、低噪音、小體積的小型振動篩分過濾機。尤其適用于雜質含量較少的粉末篩分與漿液過濾。
產品特點
1.上部篩框可以輕松拿下來,倒除不過篩網的雜質非常方便。
2.物料直接排出,篩機里面無死角,不產品二次污染。
3.采用內V式壓網方式,拆換篩網比較方便。
4.可以加尼龍剎車輪,移動非常方便。
5.加有防水罩,防止電機遇水。
工作原理

450型過濾機由機體、振動、下料斗、篩筐、電控等構成。該機采用新型振動結構,振動穩,效率高;篩筐操作簡單,清洗方便,換網容易。該機外觀新穎,結構合理,使用方便,更適合常更變工作地點的場合使用。
換篩網方式
先把篩框從接料盤上取下,放松壓網螺栓,取走需要更換的篩網,然后將新篩網平鋪在篩框上,并放上網架,四周拉平(忌過緊),沿壓網圈留一公分,穿上壓網螺栓并擰緊,Z后剪去多余篩網。
技術參數
序號 | 名稱 | 單位 | 數值 |
1 | 直徑 | mm | Φ450 |
2 | 功率 | Kw | 0.18 |
3 | 噪音 | db | ≤50 |
4 | 外形尺寸 | mm | 460*550*665 |
5 | 電源 | V | 380V |
6 | 振幅 | mm | 2-5mm |
適用場景

選型須知
根據您的物料名稱,每小時的產量,所需的網目,物料比重即可選型,盡快聯系我們吧!如果您是初次購買,聯系我們,我們將免費提供顧問式的服務,為您選擇合適的產品。

客戶現場

山西-焦炭-超高45米多點下料z型提升機

山東-有機肥-5升-3點卸料Z型斗式提升機

山東客戶-訂購8臺氧化鋁Z型提升機

河北某獸藥廠-多點下料不銹鋼Z型提升機

山東硅膠顆粒2臺10升2臺5升Z型斗式提升機

山東脫硫劑客戶Z型斗式提升機現場

山東多臺 不銹鋼 Z型斗式提升機客戶現場

河南 空心微粒客戶采購不銹鋼 Z型斗式提升機
相關產品
產品咨詢
微信公眾平臺
加我微信
地址:中國新鄉市經濟開發區心連心大道中段恒宇路8號
咨詢熱線:400-801-5611 0373-5712316
手機:152-3736-6368
郵箱:xxhengyu@126.com
152-3736-6368
掃一掃 關注我們